
シャワリングノズル付 中枠

スプリングカバー仕様

トイ式中枠排出口

マグネットユニット付

ロート型投入口

ロング排出ガイド

安全増防爆用端子箱

煙突式排出口

解砕機構付篩機
(格子風袋置き付)

回転体部シリコンカバー付

蓋(BFM投入口)

蓋(ロート式投入口)

蓋(点検口4ケ所)

蓋(点検口フェルールタイプ)

蓋点検口
(CRゴムキャップ付)

蓋点検口用シリコンキャップ

蓋投入口(フランジタイプ)

蓋投入口(特殊タイプ)

格子風袋置き(開閉式)

格子風袋置きカバー

逆さ蓋

空冷式底枠

傾斜型底枠(∠10度)

継足下台

原料排出量調整
スライドダンパー

原料飛散防止用蓋

手押し付きキャスター

中枠(枠高タイプ)

吊りピース付き蓋

底枠排出口延長タイプ

底枠排出口拡大

防爆用スイッチ
(モーターeG3)

網上タッピングゴム

枠フランジ留めタイプ

φ300クランプ治具式
超音波篩機

ホッパー付篩機

自動供給システム付篩機

フレームキーパー
(カセット金網ストッカー)

供給ホッパー部
バタフライバルブ付

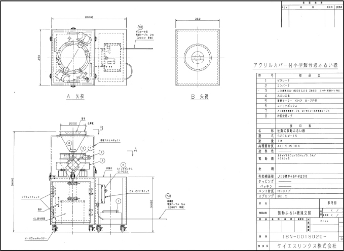
アクリルカバー付
小型超音波ふるい機

底枠傾斜型篩機
(バランスウエイト付
キャスター仕様)

架台付仕様篩機

上段:直下型篩機(解砕機付)
下段:標準篩機

アウトリガーキャスター台
仕様篩機(解砕機付)

グリズリー付投入口式篩機
(風袋落下防止)

中枠排出口(トイ式)
仕様篩機

シャワーリング(蓋用)付
篩機

継足下台付篩機
(アウトリガーキャスター台仕様:
メンテナンス架台付)

バキュームコンベア付篩機
(コンベア:スイング可動式)

バキュームコンベア付
直下型篩機
(コンテナ投入型)

解砕機付篩機
(ALLSUS仕様・キャスター台・
風袋落下防止及び安全格子付)

風袋置き作業台付直下型篩機

マグネット付篩機

雛段式架台付篩機
(解砕機付)

自動昇降式解砕機付篩機

BMFフィッテイング

蓋点検口

底枠両側排出口

空冷式底枠

底枠点検口

蓋投入口(偏芯)
kslynx2013@dune.ocn.ne.jp
※初回の国内からのお客様はフォームよりお願いいたします

東京都千代田区岩本町3丁目7-15
VORT秋葉原Ⅶ 3階
TEL 03-6452-9366
FAX 03-6452-9377

愛知県東海市富木島町前田面106
TEL 052-603-3455
FAX 052-604-1480